防爆等級(jí)
Ex db IIB T4 Gb Ex db IIC T4 Gb Ex db I Mb
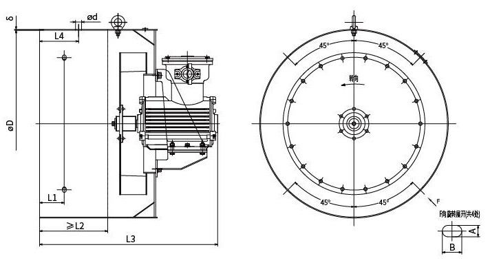
| 型號(hào) | φD | L1 | L2 | L3 | L4 | φd | δ | A | B | n |
|---|---|---|---|---|---|---|---|---|---|---|
| FLB280 | 543 | 30 | 165 | 520 | 76.5 | 20 | 3 | 12 | 20 | 4 |
| FLB315 | 619 | 82 | 226 | 595 | 129.5 | 20 | 3 | 12 | 25 | 4 |
| FLB355 | 756 | 25 | 150 | 535 | 99 | 28 | 4 | 14 | 20 | 4 |
| FLB400 | 862 | 25 | 150 | 615 | 99 | 28 | 4 | 14 | 20 | 4 |
| FLB450 | 944 | 28 | 180 | 635 | 107 | 28 | 4 | 14 | 24 | 4 |
| FLB500 | 1060 | 25 | 300 | 870 | 177.5 | 45 | 5 | 14 | 24 | 4 |
| FLB560 | 1182 | 40 | 180 | 810 | 122 | 28 | 5 | 18 | 30 | 4 |
| 風(fēng)機(jī)型號(hào) | 電壓 V | 頻率 Hz | 額定功率 W | 額定電流 A | 轉(zhuǎn)速 rpm | 風(fēng)量 m3/h | 風(fēng)壓 Pa | 噪聲 dB(A) |
|---|---|---|---|---|---|---|---|---|
| FLB280 | 380 | 50 | 0.75 | 1.9 | 1435 | 4000 | 250 | 85 |
| FLB315 | 380 | 50 | 1.1 | 2.7 | 1435 | 5200 | 290 | 85 |
| FLB355 | 380 | 50 | 1.5 | 3.6 | 1435 | 6200 | 300 | 90 |
| FLB400 | 380 | 50 | 2.2 | 4.8 | 1445 | 8800 | 300 | 95 |
| FLB450 | 380 | 50 | 3 | 6.4 | 1445 | 11000 | 450 | 95 |
| FLB500 | 380 | 50 | 5.5 | 11.4 | 1460 | 16000 | 600 | 100 |
| FLB560 | 380 | 50 | 7.5 | 15.2 | 1460 | 20000 | 700 | 100 |




